美国盟莆安mpower MP840点型有毒气体探测器
VOXI MP840 是一款采用模块化设计、具有智能化传感器检测技术、本质安全加隔爆防爆设计、 固定安装方式的点型有毒气体检测仪。其智能化处理平台和 Smart 传感器技术,实现了传感器互换、离线标定和零点自校准功能。三线制 4~20mA 模拟和 RS485 数字信号输出,可选配无线输出等多种信号传输方式,可编程开关量输出模块,根据用户需求定制,还支持输出信号微调等功能,方便系统组网及维护等。 支持 Hart 协议以及 Sil3 认证,可被广泛的应用在石油天然气、石化、化工、冶金、制药、半导体等行业。
美国盟莆安mpower MP840点型有毒气体探测器
美国盟莆安mpower MP840点型有毒气体探测器 主要特点及性能优势
- ● 支持超过 30 种气体传感器平台
- ● 标准三线 4~20mA、RS485 Modbus、可选择无线等输出信号方式
- ● 铝合金或不锈钢外壳
- ● 标配 3 组可编程继电器
- ● 墙面或者管道安装,轻松灵活
- ● 7R Smart 智能传感器模块,抗中毒
- ● 传感器支持离线标定,传感器即插即用
- ● 传感器自诊断技术、确保传感器最大限度的有效运行,降低使用成本
- ● 智能的温度和零点补偿算法
- ● 标定到期自动提醒
- ● 非侵入式红外遥控操作
- ● 一体化声光报警
- ● 可选标准 Hart 协议,方便远程诊断与设置
- ● IP67 防护等级
- ● Sil3 安全等级认证
- ● 故障代码,可瞬间恢复出厂设置等
通用变送器平台
mPower 传感器技术
安全保障
- ● 检测仪主机
- ● 快速操作指南
- ● 防雨罩
- ● 标定罩
- ● 压紧螺母
- ● 安装附件
- ● 堵头
- ● 合格证
- ● 声光报警器
- ● 红外遥控器
- ● HART 模块
- ● 无线模块
MP840点型有毒气体探测器 标准配置
MP840点型有毒气体探测器 可选配件
美国盟莆安mpower MP840点型有毒气体探测器 技术参数
| 传感器配置 | 智能(Smart)电化学传感器模块 |
| 采样方式 | 扩散式 |
| 防护等级 | IP67 |
| 工作电源 | 9-30VDC |
| 环境温度 | -40℃~+70℃(极限值) -40℃~+55℃(典型值) |
| 环境湿度 | 10~95%RH(无凝露) |
| 环境压力 | 86kPa ~106kPa |
| 输出信号 | 4-20mA 和 RS485(标准) 3 组继电器(标准) 无线(可选) |
| 电气接口 | (3/4” NPT)*4+M28*1 |
| 安全认证 | IECEx:Ex db IIC T6 Gb(pending) Ex tb IIIC T80℃ Db 中国防爆认证: Ex d IIC T6 |
| 其它认证 | SIL3,HART(pending) |
| 计量认证 | CPA |
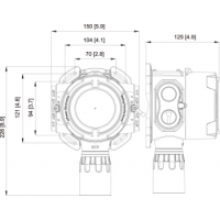
| 外形尺寸 | 180mm×213mm×127mm(W×H×D) |
| 重量 | 1.5kg |
| 壳体材料 | 铝合金 |
| 安装方式 | 立管/壁挂安装 |
| 无线传输距离(LoRa) | 大于 2000 米 |
| 质保 | 整机质保 1 年 |
美国盟莆安mpower MP840点型有毒气体探测器 传感器参数
| 传感器 | 量程 | 分辨率 |
| 一氧化碳(CO) | 0-500 ppm | 1ppm |
| 0-1000ppm | 1ppm | |
| 0-2000ppm | 1ppm | |
| 硫化氢(H2S) | 0-200ppm | 0.1ppm |
| 0-1000ppm | 1ppm | |
| 氧气(O2) | 0-30%Vol | 0.1%Vol |
| 氨气(NH3) | 0-100ppm | 1ppm |
| 0-1000ppm | 1ppm | |
| 氯气(Cl2) | 0-50ppm | 0.1ppm |
| 一氧化氮(NO) | 0-250ppm | 1ppm |
| 二氧化氮(NO2) | 0-20ppm | 0.1ppm |
| 二氧化硫(SO2) | 0-20ppm | 0.1ppm |
| 氰化氢(HCN) | 0-100ppm | 0.1ppm |
| 磷化氢(PH3) | 0-20ppm | 0.01ppm |
| 0-1000ppm | 1ppm | |
| 氢气(H2) | 0-1000ppm | 1ppm |
| 氯化氢(HCl) | 0-30ppm | 0.1ppm |
| 环氧乙烷(ETO) | 0-100ppm | 1ppm |
| 光气(COCl2) | 0-1ppm | 0.01ppm |
| 二氧化氯(ClO2) | 0-1ppm | 0.01ppm |
| 氟气(F2) | 0-5ppm | 0.01ppm |
| 氟化氢(HF) | 0-10ppm | 0.1ppm |
| 甲醛(HCHO) | 0-100ppm | 0.1ppm |
| 氯乙烯(C2H3Cl) | 0-100ppm | 0.1ppm |
| 丙烯腈(C3H3N) | 0-100ppm | 0.1ppm |
| 一氧化碳 (Resist H2) | 0-1000ppm | 1ppm |
| 甲硫醇(CH3SH) | 0-10ppm | 0.1ppm |
美国盟莆安mpower MP840点型有毒气体探测器 系统连接图
.png)
.png)


