GTD-5000F Ex 泵吸式可燃气体检测仪
GTD-5000F Ex 泵吸式可燃气体检测仪 可选远传采样、非开盖式操作、HART通信协议、OLED显示技术、可测量氨气及一百多种有毒气体、SIL2认证


英思科GTD-5000F Ex 泵吸式可燃气体检测仪 特性及优点
- ■ 采用阻燃结构,持续对爆炸危险区内的可燃气体进行检测
- ■ 采用内置微处理器实现自诊断功能
- ■ 配有盒式传感器,更换更简便
- ■ 采用数字流量传感器来保持固定流量
- ■ 采用内置采样泵实现VOC气体泄露快速响应
- ■ 根据多种检测原理,对从低到高浓度气体进行检测
- ■ 长期稳定的品质与久经验证的检测原理
- ■ 利用磁棒实现非开盖式校准及程序设置
- ■ 4位数气体浓度显示
- ■ 4-20mA 直流输出信号
- ■ RS-485 Modbus串行通信(可选)
- ■ 信号与电源的3-线连接
- ■ 2级警报、单故障显示与继电器触点输出
- ■ 单人校准与维护
英思科GTD-5000F Ex 泵吸式可燃气体检测仪 产品附件
电缆密封套件
凸形接头
微型过滤器英思科GTD-5000F Ex 泵吸式可燃气体检测仪 技术参数
| GTD-5000Ex 泵吸式可燃气体检测仪 | |||
| 型号 | GTD-5000F Ex | ||
| 测量气体 | 易燃气体(液化天然气、液化石油气、氢气、甲烷、丁烷等) | ||
| 测量方式 | 泵吸式 | ||
| 测量方法 | 催化元件 | 半导体元件 | 热导元件 |
| 量程 | 0~100% LEL | 0~2000ppm | 0~100% Vol |
| 响应时间 | T90 < 15 秒 | ||
| 精度 | ±3% / 满量程 | ||
| 操作方式 | 前面板开关(校准、维护、警报设置) | ||
| 工作模式显示 | 警报/故障LED、流量 | ||
| 示值显示 | FND显示(4-位) | ||
| 警报信号输出 | 250V 1A / 3-单刀单掷开关(SPST)继电器触点(2-级警报、1-故障) | ||
| 输出信号 | 模拟输出:4 - 20mA 直流 数字输出:RS-485 Modbus(选配) |
||
| 采样方法 | 隔膜采样泵 | ||
| 采样管线 | 外径:1/4英寸(标准) | ||
| 流量 | 最大:0 ~ 2000 ml/min | ||
| 电缆/距离 | 电力电缆 + 信号电缆:3线 > 1.5平方(AWG16) 最大:1000m 4 - 20mA 直流信号:2000m RS-485 Modbus信号:1000m |
||
| 导管连接 | M20 x 1.5P、M25x1.5P、NPT ½英寸、NPT ¾英寸 | ||
| 安装类型 | 壁挂式安装 | ||
| 工作温度 | -20℃ ~ +60 ℃ | ||
| 运行湿度 | 5 - 99% RH(非冷凝) | ||
| 运行功率 | 标准:18 ~ 31V 直流(常规:24V 直流)/最大 150mA | ||
| 材质 | 铝压铸件 | ||
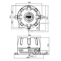
| 尺寸 | 226.3(宽)x 154(高)x 238(深)mm | ||
| 重量 | 5kg | ||
| 认证 | (Exd 11b + H2)ATEX、IECEx、NEPSI、CE、KFI、KC、KCs | ||
英思科产品 库存展示
英思科产品库存展示
英思科产品库存展示英思科GTD-5000F Ex 泵吸式可燃气体检测仪 资质证书


