GTD-5100F VOC 泵吸式VOC气体检测仪
概述
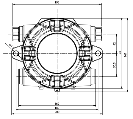
尺寸(单位:mm)
英思科GTD-5100F VOC 泵吸式VOC气体检测仪 特性及优点
- ■ 采用阻燃结构,持续对爆炸危险区内的VOC气体进行检测
- ■ 采用内置微处理器实现自诊断功能
- ■ 采用一体式的模块化传感器,以提高维护的便利性
- ■ 内置数字流量传感器,可调节气体流量
- ■ 采用内置采样泵实现快速气体泄漏响应
- ■ 采用PID传感器检测低浓度VOC气体
- ■ 利用磁棒实现非开盖式校准及程序设置
- ■ 4位数浓度显示及数字流量显示
- ■ 4-20mA 直流输出信号
- ■ RS-485Modbus(独立)串行通信易于构建监测系统
- ■ 3线制
- ■ 2级警报、单故障显示与继电器触点输出
- ■ 单人校准与维护
英思科GTD-5100F VOC 泵吸式VOC气体检测仪 产品附件
电缆密封套件
凸形接头
微型过滤器
RS-485 模块英思科GTD-5100F VOC 泵吸式VOC气体检测仪 技术参数
| 泵吸式VOC气体检测仪 | |
| 型号 | GTD-5100F VOC |
| 测量气体 | VOC气体(苯、甲苯、二甲苯等) |
| 测量方式 | 泵吸式 |
| 传感器原理 | 光离子化检测(PID) |
| 量程 | 0 - 9999 可调节 |
| 响应时间 | T90 < 5秒 |
| 精度 | ±3% / 满量程 |
| 操作方式 | 磁棒操作 |
| 工作模式显示 | 警报/故障LED显示、流量 |
| 示值显示 | FND显示(4-位) |
| 警报信号输出 | 250V 1A / 3-单刀单掷开关(SPST)继电器触点(2-级警报、1-故障) |
| 输出信号 | 模拟输出:4 - 20mA 直流 数字输出:RS-485 Modbus(选配) |
| 采样方法 | 隔膜采样泵 |
| 采样管线 | 外径:1/4英寸(标准) |
| 流量 | 最大:0 ~ 1000ml/min |
| 电缆/距离 | 电力电缆 + 信号电缆:3-线>1.5平方(AWG16) 4 - 20mA 直流信号:2500m RS-485 Modbus信号:1000m PoE(以太网供电):最大100m |
| 导管连接 | G. R(Rc). NPT 1/2英寸 与 3/4英寸 (G 3/4英寸:标准) |
| 安装类型 | 壁挂式安装 |
| 工作温度 | -40℃ ~ +60 ℃ |
| 运行湿度 | 5 - 99% RH(非冷凝) |
| 运行功率 | 标准:18~31V 直流(常规:24V 直流)/ 280mA |
| 材质 | 铝压铸件 |
| 尺寸 | 195(宽)x 139(高) x 154(深)mm |
| 重量 | 4kg |
| 认证 | 防爆型(Ex d IIC T6,IP65)KCs、CE |
英思科GTD-5100F VOC 泵吸式VOC气体检测仪 资质证书


