德国Narda的是电磁辐射领域的知名品牌,它是一家德国的高技术公司,在电磁辐射分析领域拥有多项自己的专利技术,同时针对市场推出了多款功能强大的电磁辐射分析产品。EFA-300低频电磁辐射分析仪是纳达公司推出的一款性能优秀的综合电磁场测量系统,能在宽范围内(5Hz-32KHz)极其准确地对无论是由单一频率还是有多个频率构成复杂测试场进行精确测量,是目前世界上针对类似复杂环境下性能最优秀的综合测量设备。
EFA-300提供了多个不同范围的宽带测量模式选择,在实际应用中,不管是单独对高压线和变电站还是包括多种低频辐射源共存的复杂公共场所,测量者都可以快速选择合适的测量模式,简单、快速、准确的获得测量结果,例如在宽带模式测量中可显示出测量点的主要辐射源频率,同时,用户根据显示频率可进一步针对该频点进行带通选频测量,而无论在任何复杂场中, STD ( Shaped Time Domain )测量模式提供了简单的测量方法。
EFA -300的显示部分为一个带背光功能的单色高清屏,可同时显示多种测量信息,配合简单组合的操作键,即使是初次操作者,都可以在短时间内快速掌握各种操作技巧。轻巧、坚固的设计可以有效防尘、防震,符合人体工程学的外观结构也有助于操作者的使用,特别是可互换干电池和充电电池的电源供应设计,可以极好的满足测量人员携带至现场测量的需要,有效解决户外操作电源供应的难题。
特 点:
l 三维各向同性测量探头(无方向性)
l 5Hz-32KHz、30Hz-32KHz、5Hz-2KHz、30Hz-2KHz 宽带满足不同的测量需求,进行自然背景对比测量
l 4nT-32mT 大动态磁场测量范围
l 0.7v/m-100Kv/m 大动态电场测量范围
l 主动鉴别污染源频率,可进行选频测量
l 可选频谱分析/谐波分析功能模块*
l RS-232接口光纤数据传输
l 任何强场中均可自动调零的高精确度测量
l 可互换干电池和充电电池缓解你燃眉之急
l 防尘、防震、易于使用
应 用:
EFA-300低频电磁辐射分析仪可用于进行设备低频电磁辐射研究或环境低频电磁辐射测量或研究等不同领域,如:
1.公共安全规定所指定的电磁场测量
2.超高压输电线、变电站、配电室等电力系统
3.工业领域场强测量,例如感应炉、焊接设备,高频加热设备、回火/干燥设备
4.地铁、电车等公共电力交通系统
。。。。。。
特 点:
EFA-300低频电磁辐射分析仪适合于现场使用。即使在复杂的的操作条件下,仍能确保显示结果准确简明快速,其特点如下:
l 带通/带阻功能
仪器提供了15Hz-2000Hz 带通和带阻功能,在带通功能下用户可以根据测量的需要对某一频率进行跟踪测量,相反,在带阻功能下,用户可以对比了解无此频率的情况下某一频率范围宽度场强的总体情况。

l 主要污染源鉴别
在实际运用中,例如对高压线和变电站,无论是由单一频率还是有多个频率构成测试场,在宽带模式测量中可显示出测量点的主要辐射源频率,用户根据显示频率可进一步针对该频点进行带通选频测量。

l 标准限值计权测量(STD--Shaped Time Domain)
无论在任何复杂场中,仪器可选择六种不同的标准限值曲线设置,对测量结果是否超标的判定提供了简单直观的方法。

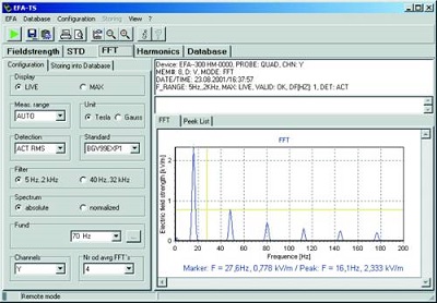
l FFT 窄带频谱分析/谐波测量分析功能(供用户选择模块,需另购)
FFT 窄带频谱分析/谐波测量分析功能模块可供用户选择,通过频谱图用户可获得最大的信息量,及时了解测量区域的污染情况,同时9 个谐波测量显示可是您的工作趋于完美。

l 远程设置操作软件EFA-TS(供用户选择,需另购)
EFA-TS 远程设置操作软件为用户提供了PC 操作的途径,用户可根据工作的需要通过PC 对仪器进行设置和操作,同时,软件进一步扩展了仪器的分析能力、存储能力和测量结果的文本格式。



