NV-010氨气冷冻设备用
图为NV-010氨气冷冻设备用
NV-010氨气冷冻设备用:特 点
- ◈当供电线路等出现异常(发生停电现象)时也能对气体泄漏进行监控。※ 在停电后 30 分钟内可以进行连续监控,在此之后的两天时间内可以进行 间歇监控。另外间歇的时间根据产品点数的不同而不同(NV-500) 在停电后的 30 分钟内可以进行连续监控。(NV-400、400F、410、010)
- ◈在因灾害出现混乱时,使用本产品也可以很容易地检测到气体泄漏的场所 (通过语音报告泄漏场所)。 按指示报警部的不同,语音内容也会有所差异。
- ◈在相当于震级 7 级的耐震测试中,本产品也能够正常使用。 考虑到大的震灾的耐震设计。 由于电子回路部进行了模制绝缘封闭处理,使得本产品不容易受到破坏, 绝缘性也由此得以大幅度提高。 另外,对本产品的机箱结构也进行了改良,提高了机箱的强度。
- ◈报警发生时的气体浓度一目了然。NV-410 型、0 ~ 10 的无单位刻度设计。
- ◈对应蓄电池的寿命可以进行一键式的测定。(蓄电池寿命诊断功能)※
- ◈报警设定值的变更显得非常简单。(▲▼方式)
- ◈NV-500 与 NV-010 型的归零调整与量程调整都极为简单。(一键式修正功能)。
- ◈使用电压范围较宽,为 85 ~ 264V、即使在 200V 的电源条件下也可以直接使用。
- ◈NV-500 与 NV-010 均附带零位抑制功能。 ※ 使用内置保安电源时
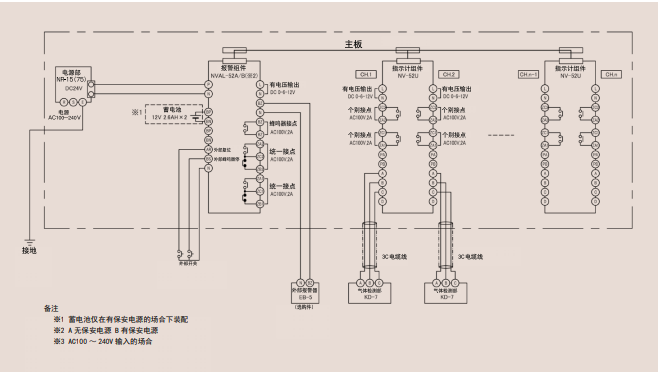
NV-010 端子排列图
NV-010氨气冷冻设备用:规格
| 型 号 | NV-010 | |||||
| 检测原理 | 热线型半导体式 | 外
部 报 警 输 出 |
个别报警接点 | 无电压 1a 接点(接点容量 AC100V 2A) | ||
| 检测对象气体 | 泄漏在大气中的氨气 | 个别有电压输出 | DC0-6-12V(20mA 以下) | |||
| 检 测 点 数/组 件 | 一个组件两处(点)监控方式 | 统一报警接点 | 无电压 1c 接点(接点容量 AC100V 2A) | |||
| 检测显示范围 | 0 ~ 400ppm | 集中监控仪表板输出 | DC0-6-12V(20mA 以下) | |||
| 气体浓度显示仪 | 液晶显示屏(LCD)条形图电平测量器 (53 点 2 列) | 外部蜂鸣器接点 | 无电压 1a 接点(接点容量 AC100V 2A) | |||
| 报警设定值显示 | 附带报警设定直读刻度 | 外部蜂鸣器有电压输出 | 有电压断断续续的信号(DC12V 10mA 以下) | |||
| 背景光 | 有背景光 | 报警延迟 | 操作拨动开关可以进行选择 | |||
| 报警时峰值保持功能 | 报警时峰值保持功能可以通过按下复位 按钮进行解除 | (10 秒固定) | ||||
| 报警设定值 /设定值变更 | 50/100ppm/ △▽键操作方式 | 标准电源 | AC85 ~ 264V | |||
| 报警精度 | 度 报警设定值的 ±30% 以下(同一条件下) | |||||
| 报警延迟 | 在达到报警设定值的 1.6 倍浓度的条件 下将在 60 秒以内报警 | 消耗电力 | (15+3.5n)VA | |||
| 报 警显 示 | 个别报警灯 自我保持方式 | 报警时:红灯闪烁,蜂鸣器停止后点亮 完全锁定(浓度水平降低之后,通过按下 复位按钮可以让灯停止闪烁) | 保安电源 | 使用蓄电池 | 密闭型铅蓄电池 | |
| 防止过放电功能 | 附带防止过放电功能 | |||||
| 蓄电池寿命判定 | 附带蓄电池寿命判定功能 | |||||
| 报警音 | 标准动作 | 报警时:断断续续的声音,按下蜂鸣器停止 开关后报警即停止 | 蓄电池电压显示 | 2 位数字显示液晶屏 LED | ||
| 语音报警 | 报警时:断断续续的声音 + 语音报警信息 | 涂装颜色 | 芒赛尔色 2.5PB 7.0/1.0 | |||
▙注意:
- ※1.根据气体种类不同,满量程也会略有不同。
- ※2.同一测量条件下。
- ※3.根据不同环境条件、使用条件、保存期限、电池厂家,有时会有不同。
- ※4.AC 适配器、数据记录收集套装、以及 EC-7 不属于 CE 范围。


